Pernyataan Kebijakan: Privasi sampeyan penting banget kanggo kita. Perusahaan kita janji ora bakal ngandhani informasi pribadhi menyang ekspresi sing metu saka ijin nyata.
Kategori Produk
Kirim Enquiry
Tipe Pembayaran: L/C,T/T,D/P,D/A,Paypal
Transportasi: Ocean,Land,Air,Express
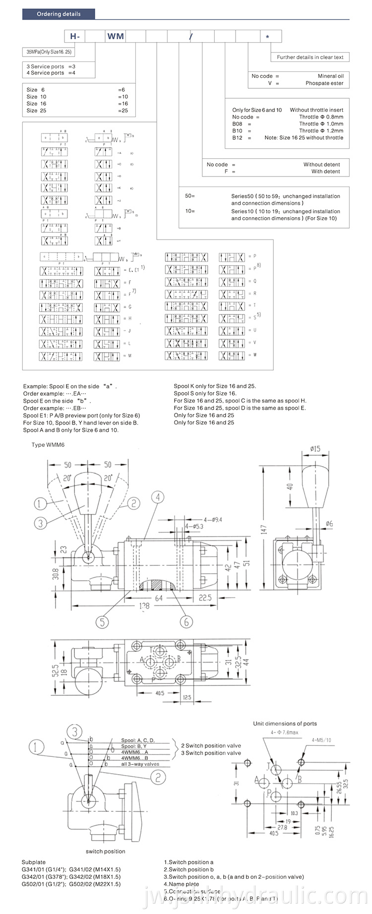
Model No.: 4WMM16 Hydraulic Manual Directional Spool Control Valve
Brand: Hao hong
Origin: Kutha Huian, China
Sertifikasi: Ce certificate
Periode Babar Pisan: 1 Taun
Layanan Out-of-Babar: Dhukungan online, Suku cadang, Layanan pangopènan lan ndandani lapangan, Dhukungan teknis video
Where To Provide Local Services (in Which Countries Are There Overseas Service Outlets): Other
Showroom Location (in Which Countries Are There Sample Rooms Overseas): Other
Papan Asale: Cina
Sistem Layanan: Dhukungan online, Dhukungan teknis video, Suku cadang gratis, Instalasi lapangan, komisioning lan latihan, Layanan pangopènan lan ndandani lapangan, liyane
Jinis Katup: liyane
Max Pressure: 315bar
Valve Type: Direction control
4smmm16 katup kontrol hidrolik 4wmm16
4wmm16 katup kontrol hidrolik minangka salah sawijining jinis katup arah sing dikontrol dening gagang. Kita bisa nggunakake gagang kanggo ngganti arah menyang posisi awal.one yaiku ing lokasi kasebut piranti.anoter cara ing musim semi. Ana akeh fungsi spool sing bisa dipilih. Fungsi sing sampeyan pilih gumantung karo panjaluk sampeyan.

Valves arah kanthi manual 4wmm16 mung duwe siji metode kanggo ngontrol arah, nanging katup solenoid lan manual kaya 4wmme seri 4WMME sing mung bisa ngontrol arah kasebut uga bisa dikontrol dening gagang.

Packaging: dikempalken karo 5 lapisan kothak coklat
Produktivitas: 10000 sets/month
Transportasi: Ocean,Land,Air,Express
Panggonan Asal: Kutha Huian, China
Kemampuan Supply: 10000 sets/month
Certificate: Ce certificate
Kode HS: 8481201090
Tipe Pembayaran: L/C,T/T,D/P,D/A,Paypal
Incoterm: FOB,CFR,CIF,EXW
GET IN TOUCH
If you have any questions our products or services,feel free to reach out to us.Provide unique experiences for everyone involved with a brand.we’ve got preferential price and best-quality products for you.
Pernyataan Kebijakan: Privasi sampeyan penting banget kanggo kita. Perusahaan kita janji ora bakal ngandhani informasi pribadhi menyang ekspresi sing metu saka ijin nyata.
Isi informasi luwih lengkap supaya bisa ngubungi sampeyan kanthi luwih cepet
Pernyataan Kebijakan: Privasi sampeyan penting banget kanggo kita. Perusahaan kita janji ora bakal ngandhani informasi pribadhi menyang ekspresi sing metu saka ijin nyata.