Pernyataan Kebijakan: Privasi sampeyan penting banget kanggo kita. Perusahaan kita janji ora bakal ngandhani informasi pribadhi menyang ekspresi sing metu saka ijin nyata.
Kategori Produk
Kirim Enquiry
Tipe Pembayaran: L/C,T/T,D/P,D/A,Paypal,Others
Transportasi: Ocean,Land,Air,Express,Others
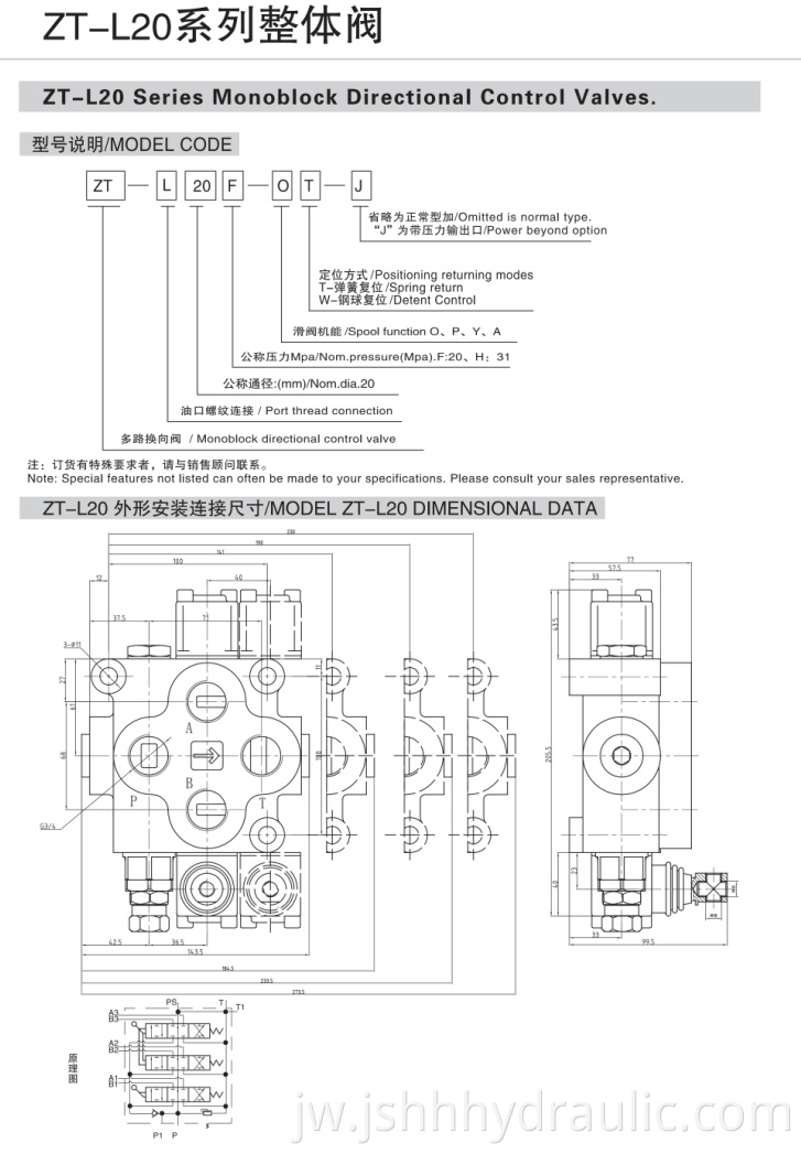
Model No.: ZT-L20 hydraulic directional control muanal monoblock valve
Brand: Haohoong
Origin: Kutha Huian, China
Sertifikasi: Ce certificate
Periode Babar Pisan: 1 Taun
Layanan Out-of-Babar: Dhukungan online, Suku cadang, Layanan pangopènan lan ndandani lapangan, Dhukungan teknis video
Where To Provide Local Services (in Which Countries Are There Overseas Service Outlets): Other
Showroom Location (in Which Countries Are There Sample Rooms Overseas): Other
Papan Asale: Cina
Sistem Layanan: Dhukungan online, Dhukungan teknis video, Suku cadang gratis, Instalasi lapangan, komisioning lan latihan, Layanan pangopènan lan ndandani lapangan, liyane
Jinis Katup: Katup kontrol aliran
Nom.Pressure: 20 MPA
Rated Flow: 80 LPM
Hydraulic Oil Tem.Rang: -20~+80 ℃
Spool Function: O, P. Y, A
Joining Port: L (screw connection)
Work Ports: SAE8
Material: Vermicular graphite cast iron
Package Size: 28*24*15cm
Aplikasi: Construction machinery, sanitation machinery, mining machinery and other machinery hydraulic system
Seri kontrol elektropneumatik zt-l20 Katup multi-cara apik ing basis seri kontrol udara ZT-l20. Utamane kanggo ngganti mekanisme kontrol katup kontrol valve Voversing Valve, ing kontrol udara kanthi dhasar kenaikan kontrol elektropneumatik, lan miturut permintaan remot, bisa entuk remot kontrol sing luwih apik. Katup iki digunakake ing mesin konstruksi, mesin sanitasi, Mesin Pertambangan lan sistem hidrolik mesin liyane.

Ringkesan, katup ZT-L20 multi-saluran minangka peralatan kontrol hidraulik kanthi kinerja sing dipercaya, macem-macem fungsi, sing cocog kanggo kabutuhan kebutuhan hidrolik.


Packaging: dikempalken karo 5 lapisan kothak coklat
Produktivitas: 10000 sets/month
Transportasi: Ocean,Land,Air,Express,Others
Panggonan Asal: Kutha Huian, China
Kemampuan Supply: 10000 sets/month
Certificate: Ce certificate
Kode HS: 8481201090
Port: SHANGHAI,NINGBO
Tipe Pembayaran: L/C,T/T,D/P,D/A,Paypal,Others
Incoterm: FOB,CFR,CIF,EXW
GET IN TOUCH
If you have any questions our products or services,feel free to reach out to us.Provide unique experiences for everyone involved with a brand.we’ve got preferential price and best-quality products for you.
Pernyataan Kebijakan: Privasi sampeyan penting banget kanggo kita. Perusahaan kita janji ora bakal ngandhani informasi pribadhi menyang ekspresi sing metu saka ijin nyata.
Isi informasi luwih lengkap supaya bisa ngubungi sampeyan kanthi luwih cepet
Pernyataan Kebijakan: Privasi sampeyan penting banget kanggo kita. Perusahaan kita janji ora bakal ngandhani informasi pribadhi menyang ekspresi sing metu saka ijin nyata.